Cod QR
Despre noi
Produse
Contactaţi-ne


Fax
+86-574-87168065

E-mail

Abordare
Zona industrială Luotuo, districtul Zhenhai, orașul Ningbo, China
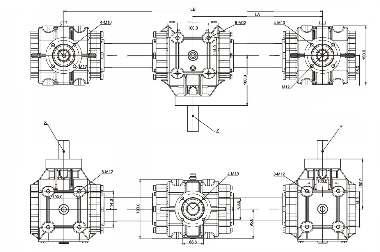
Semănătoarea de îngrășăminte Gearbox EP190-R3 pentru Fertilizer Broadcaster este realizată din fontă îngroșată. Poate rezista la 300 kg de îngrășământ și denivelările de pe câmp. Angrenajele sunt, de asemenea, stinse de înaltă frecvență și foarte dure. Duritatea suprafeței dintelui atinge HRC55. La împrăștierea îngrășământului, particulele de îngrășământ se freacă înainte și înapoi. Poate fi folosit timp de trei până la cinci ani fără să se defecteze, spre deosebire de cutiile de viteze obișnuite care trebuie reparate.
Raportul de viteză de 5,8:1 este reglat foarte precis. Distribuitorul de îngrășăminte se rotește constant. Fie că este îngrășământ granular sau îngrășământ pulbere, acesta se împrăștie uniform pe sol. În trecut, îmi era teamă că îngrășământul nu va fi împrăștiat uniform și trebuia să compenseze. Acum, cu această cutie de viteze, pot economisi 15% din îngrășământ pe acru, ceea ce înseamnă o mulțime de bani!
Puterea se transmite foarte repede. Distribuitorul de îngrășăminte poate intra în stare imediat după pornire, fără nicio rezistență. În trecut, 20 mu de pământ puteau fi fertilizați într-o zi, dar acum se poate fertiliza încă 5 mu în fiecare zi. Dacă vremea este bună, îngrășământul poate fi aplicat mai devreme, fără a întârzia cultivarea. Fermierii se simt ușurați.
În calitate de furnizor direct din fabrică în China, Raydafon economisește diferența de preț a intermediarilor. Pretul acestei cutii de viteze este foarte rezonabil. Mai mult, structura este bine proiectata, cu putine probleme. Chiar dacă există unele probleme minore, este convenabil să le dezasamblați și să le reparați fără a cheltui mulți bani pentru a înlocui piesele, ceea ce îi ajută cu adevărat pe fermieri să economisească bani.
| i | Potrivit | Intrare rpm | Ieșire rpm | Putere | Dentare | ||
| rpm | rpm | Kw | Hp | ||||
| Decelerati | 1.38:1 | Difuzor de îngrășăminte etc | 540 | 390 | 62 | 85 | Gleason Helical Dintii |
| Observație: Dacă aveți vreo cerință specială, nu ezitați să-mi spuneți, acceptăm și personalizate. | |||||||
În producția agricolă modernă, uniformitatea împrăștierii îngrășămintelor este direct legată de calitatea creșterii culturilor, iarSemănătoare de îngrășământ Cutie de vitezeeste componenta de bază pentru atingerea acestui obiectiv. Modelul EP190-R3 transformă puterea tractorului în puterea stabilă cerută de distribuitor printr-un design mecanic inteligent. Existența sa este ca un asistent invizibil în terenul agricol, asigurându-se că fiecare bob de îngrășământ poate ateriza cu precizie, evitând risipa și punând bazele unei recolte bune.
Această cutie de viteze pentru semănătoare de îngrășământ EP190-R3 nu este o cutie de viteze obișnuită. Folosește materiale de înaltă rezistență și este prelucrat cu precizie pentru a putea funcționa stabil pentru o lungă perioadă de timp în medii de câmp noroioase și prăfuite. Nu numai că, eficiența sa de transmisie este optimizată, ceea ce poate reduce eficient pierderile de putere și poate menține distribuitorul în cea mai bună stare în diferite condiții de funcționare. Indiferent dacă este o fermă mică sau o plantare la scară largă, EP190-R3 poate face față cu ușurință.
Un alt punct culminant al EP190-R3 este adaptabilitatea sa puternică. Indiferent dacă este vorba de îngrășământ granular sau îngrășământ sub formă de pulbere, această cutie de viteze poate coopera cu distribuitorul pentru a obține o distribuție uniformă. Utilizatorii pot regla viteza de împrăștiere în funcție de nevoile câmpului, iar operațiunea este simplă și flexibilă. Acest design practic îl face o alegere de încredere pe piață.
În general, cutia de viteze pentru semănătoare de îngrășământ EP190-R3 este o soluție adaptată de compania noastră pentru clienții din agricultură. Nu numai că îmbunătățește eficiența împrăștierii, ci și reduce costurile de întreținere. Este o alegere ideală pentru fermieri și companii care doresc o rentabilitate ridicată. Dacă sunteți în căutarea unei cutii de viteze durabile și eficiente, s-ar putea să vă îndreptați atenția către EP190-R3, nu vă va dezamăgi.
În calitate de client vechi al Raydafon, cutia de viteze pentru semănător de îngrășăminte m-a ajutat foarte mult! Când am încercat-o la o fermă din Australia anul trecut, această cutie de viteze a funcționat foarte bine pe versanții de sol roșu, însămânțarea și fertilizarea s-au făcut într-un singur pas. Până și fermierul de alături mi-a cerut legătura. Echipa ta de post-vânzare chiar m-a sunat să mă învețe cum să-l întrețin. Acum că îl folosesc de aproape un an, angrenajele sunt încă foarte strânse și nu au fost probleme. Sunt Michael Johnson și vă recomand cu sinceritate produsele, sunt de încredere!
de la RaydafonSemănătoare de îngrășăminte cutie de viteze! După ce l-am folosit la o fermă din Canada anul trecut, am simțit că acest design ne înțelege foarte bine, fermierii. Alte cutii de viteze obișnuiau să se blocheze cu ușurință atunci când întâlneau solul umed, dar a ta nu s-a blocat nici măcar atunci când ploua continuu. Angrenajele sunt foarte rezistente la uzură și încă se rotesc lin. Ceea ce m-a surprins cel mai mult a fost că în timpul instalării, instrucțiunile de însoțire au fost foarte clare. Am petrecut doar o jumătate de oră ca să-l completez singur, spre deosebire de înainte când a trebuit să cer ajutor muncitorilor. Serviciul dumneavoastră pentru clienți a luat și inițiativa de a-mi trimite punctele de vânzare locale de reparații. Deși nu le-am folosit încă, acest serviciu chiar mă face să mă simt în largul meu. Eu sunt Robert Wilson. Anul acesta intenționez să adaug încă două echipamente din fermă. O voi recomanda si fermierilor din apropiere. Este foarte ușor de folosit!
Sunt atât de mulțumit de cutia ta de viteze pentru semănătoare de îngrășăminte! Este foarte usor de folosit si de o calitate deosebita. Îmbunătățește foarte mult eficiența însămânțării și ușurează mult munca. Sunteți cu adevărat deosebit în ceea ce privește produsele dvs. Sunt rezistente, iar detaliile sunt bine luate în considerare. Mă simt în largul meu folosind un dispozitiv atât de bun în străinătate. Serviciul dumneavoastră este, de asemenea, foarte de încredere. Ori de câte ori am întrebări, răspundeți foarte repede, ceea ce este foarte atent. Sunt foarte fericit să vă cumpăr produsele și aștept cu nerăbdare cooperarea continuă în viitor! Mulțumesc!--- James Carter
Abordare
Zona industrială Luotuo, districtul Zhenhai, orașul Ningbo, China
Tel


+86-574-87168065


Zona industrială Luotuo, districtul Zhenhai, orașul Ningbo, China
Copyright © Raydafon Technology Group Co., Limited Toate drepturile rezervate.
Links | Sitemap | RSS | XML | Politica de confidențialitate |
