Cod QR
Despre noi
Produse
Contactaţi-ne


Fax
+86-574-87168065

E-mail

Abordare
Zona industrială Luotuo, districtul Zhenhai, orașul Ningbo, China
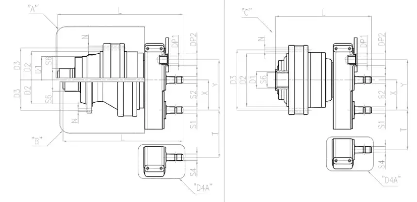
| Model | PG-702 | PG-1002 | PG-1602 | PG-1802 | PG-2502 | PG-3002 | PG-3503 | |||
| Raportul i | 18.2 | 18.3 | 13,4-33,6 | 15,7-29,9 | 14,6-20-36,2 | 45.3 | 53.7 | |||
| Tip ieșire | B | B | B | C | B | C | A | C | C | C |
| D1 |
|
|
|
88HB |
|
88HB | 245F7 | 102H7 | 102H7 | 122HF |
| D2 | 200F7 | 230F7 | 230F7 | 278F7 | 230F | 278F7 | 340F7 | 340F7 | 340F7 | 340F7 |
| D3 | 250 | 295 | 295 | 314 | 295 | 314 | 370 | 370 | 370 | 370 |
| N | ∅15×N°12 | ∅17×N°10 | ∅17×N°10 | ∅15×N°18 | ∅17×N°10 | ∅15×N°18 | ∅17×N°15 | ∅17×N°15 | ∅17×N°15 | ∅17×N°15 |
| L | 646.5 | 627.5 | 693 | 490.5 | 714 | 499.5 | 798.5 | 595.5 | 601 | 680.5 |
| S6 | 70*64 DIN5482 | 80*74 DIN5482 | 100*94 DIN5482 | 80*74 DIN5482 | 100*94 DIN5482 | 80*74 DIN5482 | 100*94 DIN5482 | 100*94 DIN5482 | 100*94 DIN5482 | 120*22*5 DIN5482 |
| S1 | 1" 3/8 Z6 | 1" 3/8 Z6 | 1" 3/8 Z6 | 1" 3/8 Z6 | 1" 3/8 Z6 | 1" 3/8 Z6 | 1" 3/8 Z6 | 1" 3/8 Z6 | 1" 3/8 Z6 | 1" 3/8 Z6 |
| S2 | 1" 3/8 Z6 | 1" 3/8 Z6 | 1" 3/8 Z6 | 1" 3/8 Z6 | 1" 3/8 Z6 | 1" 3/8 Z6 | 1" 3/8 Z6 |
|
|
|
| DP1 | 40*36 DIN5482 | 40*36 DIN5482 | 40*36 DIN5482 | 40*36 DIN5482 | 40*36 DIN5482 | 40*36 DIN5482 | 40*36 DIN5482 | 40*36 DIN5482 | 40*36 DIN5482 | 40*36 DIN5482 |
| DP2 | 60,3HB | 60,3HB | 60,3HB | 60,3HB | 60,3HB | 60,3HB | 60,3HB | 60,3HB | 60,3HB | 60,3HB |
| X | 157 | 157 | 157 | 157 | 157 | 157 | 157 | 157 | 157 | 157 |
| Y | 262 | 262 | 262 | 262 | 262 | 262 | 262 | 262 | 262 | 262 |
| S4 |
|
|
|
1" 3/8 Z6 |
|
1" 3/8 Z6 |
|
1" 3/8 Z6 | 1" 3/8 Z6 | 1" 3/8 Z6 |
| T |
|
|
|
156.8 |
|
156.8 |
|
156.8 | 156.8 | 156.8 |
| Model | Raportul i | D1 | D2 | D3 | D4 | N | E |
| PG-1602 | 22.14-33.6 | 80*74 DIN5482 | 225 F7 | 278 F7 | 314 | ∅15×N°18 | SAE B/SAE C |
| PG-2502 | 20-36.2 | 100*94 DIN5482 | 245 F7 | 340F7 | 370 | ∅17×N°15 | SAE B/SAE C |
| Model | Raportul i | D1 | D2 | D3 | N | E |
| PG-161 | 3,55-2,49-5,60 | 40*36 DIN5482 | 110 F7 | 165 | ∅10,5×N°8 | SAE A/SAE B/SAE BB/OMTS |
| PG-251 | 4.13-5.17-6.00 | 58*53 DIN5482 | 150 F7 | 195 | ∅13×N°10 | SAE A/SAE B/SAE BB/OMTS |
| PG-501 | 4.13-5.17-6.00 | 58*53 DIN5482 | 150 F7 | 195 | ∅13×N°10 | SAE A/SAE B/SAE BB/OMTS |
DezvoltareaCutie de viteze planetară mixer alimentator seria PGrezultă dintr-o perspectivă profundă asupra punctelor dureroase ale sistemului de transmisie al echipamentelor tradiționale de amestecare. Arhitectura sa de transmisie distribuită cu trei angrenaje planetare nu este o simplă stivuire a structurilor mecanice, dar prin simularea repetată a condițiilor de stres în diferite rapoarte de materie primă, combinația de aur a modulului angrenajului, lățimea dintelui și unghiul helixului este în cele din urmă determinată. De exemplu, atunci când se prelucrează tulpini de porumb și amestecuri de făină de soia, designul său unic al dinților implicați poate reduce riscul de blocare a materialului cu 15%. Cu procesul de șlefuire de înaltă precizie, rugozitatea suprafeței dintelui este controlată sub Ra0,8, ceea ce crește eficiența transmisiei cu 8%-10% în comparație cu cutiile de viteze tradiționale. Datele măsurate ale unei fabrici de furaje arată că în 12 ore de funcționare continuă pe zi, consumul de energie al acestei cutii de viteze este cu 14% mai mic decât cel al produselor similare, iar amplitudinea fluctuației cuplului a arborelui de amestecare este redusă cu 22%, ceea ce îmbunătățește semnificativ uniformitatea amestecării.
Pentru particulele dure, cum ar fi nisipul, piatra și resturile metalice, care sunt adesea amestecate în materiile prime pentru furaje, această cutie de viteze a fost vizată în ceea ce privește materialele și procesele. Corpul angrenajului este realizat din oțel aliat 20CrMnTi. După tratamentul de călire cu o adâncime de carburare de 1,2 mm, combinat cu un proces de revenire la temperatură scăzută, rezistența la oboseală la îndoirea rădăcinii dintelui crește la mai mult de 850MPa. În condițiile extreme de lucru ale cernurii incomplete a materiei prime într-o fermă, rezistența sa la stropire a rezistat unui test de impact continuu de 500 de ore cu nisip și pietriș, iar pe suprafața dinților au apărut doar zgârieturi ușoare fără a se decoji. În același timp, prin optimizarea dispoziției plăcilor nervuri și a preîncărcării rulmentului a suportului planetar, cutia de viteze poate menține în continuare precizia transmisiei atunci când este supusă unui impact instantaneu de 1,5 ori cuplul nominal, evitând riscul de dezaliniere a angrenajului sau rupere a dinților cauzate de suprasarcină.
Designul inteligent al cutiei de viteze este derivat dintr-o înțelegere profundă a punctelor dureroase ale operațiunii și întreținerii în industria de prelucrare a furajelor. Modulul său inteligent de monitorizare încorporat nu este un simplu colector de date, ci o analiză încrucișată a temperaturii, vibrațiilor, curentului și a altor semnale printr-un model de algoritm. De exemplu, atunci când temperatura rulmentului este detectată a fi anormal de ridicată, sistemul va combina datele istoricului de încărcare pentru a determina dacă este o lubrifiere insuficientă sau uzură lagărului și va împinge recomandări specifice de întreținere. După aplicarea acestui sistem, o companie de furaje a evitat trei opriri neplanificate prin înlocuirea grăsimii și ajustarea în avans a jocului lagărului, iar eficiența generală a echipamentului (OEE) a crescut cu 18%. În plus, designul structurii sale modulare cu eliberare rapidă a fost inspirat de feedback-ul personalului de întreținere din prima linie. Doar patru șuruburi trebuie slăbite pentru a finaliza înlocuirea generală a angrenajului planetar, iar timpul de întreținere este scurtat de la 4 ore din structura tradițională la 1,5 ore.
În ceea ce privește protecția mediului și optimizarea eficienței energetice, designul inovator al cutiei de viteze provine din înțelegerea precisă a nevoilor industriei furajelor de a reduce costurile și de a crește eficiența. Structura sa de disipare a căldurii nu crește orbește aria de disipare a căldurii, dar optimizează unghiul spiralei și distanța dintre nervurile de disipare a căldurii prin simularea mecanicii fluidelor, astfel încât eficiența naturală de disipare a căldurii este crescută cu 30%, reducând astfel consumul de energie al ventilatorului de răcire. În sistemul de lubrifiere, tehnologia de alimentare cu ulei cu două zone este adoptată pentru a regla dinamic volumul de ulei în funcție de sarcină, evitând metoda de lubrifiere „inundă” a cutiilor de viteze tradiționale și reducând consumul de lubrifiant cu 25%. Măsurarea efectivă a unei linii de producție de furaje exportate în Europa arată că nivelul de zgomot al cutiei de viteze este cu 5dB mai mic decât standardul UE, iar nivelul său de eficiență energetică atinge standardul IE3, ajutând clienții să treacă cu succes certificarea de eficiență energetică a țării importatoare. Acest concept de design care leagă profund detaliile tehnice cu valoarea comercială este cheia recunoașterii pe piață a produsului.
Buna ziua! Sunt Elena García, un client din Barcelona, Spania. De un an și jumătate folosim cutia de viteze planetară în sistemul nostru de urmărire a panourilor fotovoltaice. Acest echipament ne-a rezolvat complet problema preciziei de urmărire a soarelui - cutia de viteze pe care am folosit-o înainte avea întotdeauna o abatere de urmărire de aproximativ 5 grade în fiecare dimineață și seara, în timp ce cutia de viteze planetară cu encoder poate controla eroarea de urmărire în 0,5 grade. Acum, producția medie zilnică de energie a panourilor fotovoltaice a crescut cu 18% față de înainte și chiar și factura de energie electrică a devenit semnificativ mai subțire. Acum, această cutie de viteze planetară a rezistat testului spray-ului de sare și vântului puternic din centrala fotovoltaică de pe litoral. Învelișul anticoroziv al carcasei cutiei de viteze nu a arătat niciun semn de cădere, iar uleiul de transmisie intern nu trebuie înlocuit la fel de des ca înainte. Aștept cu nerăbdare să lucrez cu tine în mai multe proiecte de energie regenerabilă în viitor!
Sunt Hans Müller, inginer mecanic din Germania. În urmă cu jumătate de an, am achiziționat cutii de viteze planetare Raydafon pentru modernizarea liniei de producție. După ce le-am folosit, mi-au depășit așteptările! Echipamentul funcționează la sarcină mare timp de 16 ore pe zi pentru a procesa materii prime cu vâscozitate ridicată. Zgomotul cutiei de viteze este redus cu 20%, randamentul transmisiei este stabil la peste 94%, cresterea temperaturii este intotdeauna controlata in limita a 25°C, iar durabilitatea este cu mult superioara modelelor vechi. Echipa dumneavoastră a fost profesionistă și eficientă pe tot parcursul procesului, de la optimizarea timpurie a parametrilor, ajustarea structurii de etanșare până la ghidarea depanării de la distanță. Designul detaliat (cum ar fi garniturile rezistente la praf și găurile de montare standardizate) reflectă în continuare o înțelegere profundă a condițiilor reale de lucru. Calitatea produsului și nivelul de servicii Raydafon m-au făcut să îl includ fără ezitare pe lista furnizorilor pe termen lung și să-l recomand cu căldură colegilor mei!
Conduc o fermă de atâția ani și am schimbat multe cutii de viteze. Abia când am folosit cutia de viteze planetară Raydafon mi-am dat seama cu adevărat ce înseamnă să fii fără griji! Echipamentul pe care l-am folosit înainte a fost întotdeauna sub putere la amestecarea silozului, iar vitezele au alunecat adesea. Nu mă așteptam ca cutia ta planetară să fie atât de puternică. Produsul dumneavoastră este mult mai simplu de instalat decât credeam și este, de asemenea, ușor de întreținut. Ultima dată când am făcut eu o inspecție zilnică, am constatat că cutia de viteze era foarte bine etanșată și nu era deloc semn de scurgere de ulei. Cu siguranță voi continua să vă susțin și pe viitor și vă voi recomanda prietenilor mei fermieri! ---- Mark Johnson
Abordare
Zona industrială Luotuo, districtul Zhenhai, orașul Ningbo, China
Tel


+86-574-87168065


Zona industrială Luotuo, districtul Zhenhai, orașul Ningbo, China
Copyright © Raydafon Technology Group Co., Limited Toate drepturile rezervate.
Links | Sitemap | RSS | XML | Politica de confidențialitate |
