Cod QR
Despre noi
Produse
Contactaţi-ne


Fax
+86-574-87168065

E-mail

Abordare
Zona industrială Luotuo, districtul Zhenhai, orașul Ningbo, China
Cuplajul universal SWC-DH Short Flex Welding Type de la Raydafon este construit pentru a conecta arbori nealiniați în angrenaje grele - gândiți-vă la laminoare, palanuri și mașini de prelucrare a oțelului. Este un cuplaj universal compact și scurt, cu un diametru de rotație care variază de la 45 mm la 390 mm. Chiar și atunci când arborii sunt dezactivați cu până la 25 de grade (dezaliniere unghiulară), acesta încă mișcă eficient cuplul, ajungând la maximum 1000 kN·m, ceea ce se potrivește perfect cu nevoile de putere ale echipamentelor grele.
Îl facem cu oțel 35CrMo de înaltă rezistență și adăugăm patru rulmenți cu ace, astfel încât să reziste la sarcini grele. De aceea, este o alegere solidă pentru cuplajele universale pentru mașini industriale și funcționează excelent ca cuplaje universale sudate pentru echipamente grele în locurile în care sarcinile rămân ridicate fără oprire. Designul său scurt-flex este perfect pentru mașinile cu spațiu redus pentru mișcarea axială, de asemenea, oferă o soluție de transmisie dificilă pentru spațiile industriale dificile.
Raydafon este un producător din China cu certificare ISO 9001, așa că respectăm reguli stricte de calitate pentru fiecare cuplaj universal SWC-DH. Arborele transversal primește o placă cromată pentru a lupta împotriva coroziunii, astfel încât să reziste chiar și atunci când condițiile sunt dure. Jugul sudat face și instalarea mai ușoară - doar aliniați arborii la dreapta și funcționează cel mai bine. Îl vei găsi pe unelte din metalurgie, minerit și sisteme de macara, nicio problemă.
În plus, acest cuplaj vine în diferite dimensiuni și cupluri nominale. Dacă aveți nevoie de un cuplaj universal personalizat pentru mașini industriale - de exemplu, pentru recolte sau alte echipamente specifice - îl putem adapta nevoilor dvs., iar prețul rămâne competitiv. Avem cunoștințele de producție pentru a face acest cuplaj flexibil scurt să reducă timpul de nefuncționare a echipamentelor, astfel încât mașinile dvs. să funcționeze în general mai fiabil.
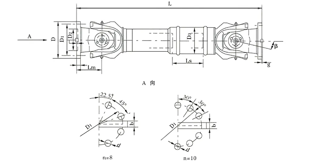
| Nu. | Diametrul de rotație D mm | Cuplul nominal Tn KN·m | Unghiul de pliere a axelor β (°) | Cuplu obosit Tf KN·m | Cantitate flexibilă Ls mm | Dimensiune (mm) | Inerția de rotație kg.m2 | Greutate (kg) | |||||||||||
| Lmin | D1 (js11) | D2 (H7) | D3 | Lm | n-d | k | t | b (h9) | g | Lmin | Crește 100 mm | Lmin | Crește 100 mm | ||||||
| SWC180DH1 | 180 | 20 | 10 | ≤25 | 75 | 650 | 155 | 105 | 114 | 110 | 8-17 | 17 | 5 | - | - | 0.165 | 0.0070 | 58 | 2.8 |
| SWC180DH2 | 55 | 600 | 0.162 | 56 | |||||||||||||||
| SWC180DH3 | 40 | 550 | 0.160 | 52 | |||||||||||||||
| SWC225DH1 | 225 | 40 | 20 | ≤15 | 85 | 710 | 196 | 135 | 152 | 120 | 20 | 5 | 32 | 9.0 | 0.415 | 0.0234 | 95 | 4.9 | |
| SWC225DH2 | 70 | 640 | 0.397 | 92 | |||||||||||||||
| SWC250DH1 | 250 | 63 | 31.5 | ≤15 | 100 | 795 | 218 | 150 | 168 | 140 | 8-19 | 25 | 6 | 40 | 12.5 | 0.900 | 0.0277 | 148 | 5.3 |
| SWC250DH2 | 70 | 735 | 0.885 | 136 | |||||||||||||||
| SWC285DH1 | 285 | 90 | 45 | ≤15 | 120 | 950 | 245 | 170 | 194 | 160 | 8-21 | 27 | 7 | 40 | 15.0 | 1.876 | 0.0510 | 229 | 6.3 |
| SWC285DH2 | 80 | 880 | 1.801 | 221 | |||||||||||||||
| SWC315DH1 | 315 | 125 | 63 | ≤15 | 130 | 1070 | 280 | 185 | 219 | 180 | 10-23 | 32 | 8 | 40 | 15.0 | 3.331 | 0.0795 | 346 | 8.0 |
| SWC315DH2 | 90 | 980 | 3.163 | 334 | |||||||||||||||
| SWC350DH1 | 350 | 180 | 90 | ≤15 | 140 | 1170 | 310 | 210 | 267 | 194 | 10-23 | 35 | 8 | 50 | 16.0 | 6.215 | 0..2219 | 508 | 15.0 |
| SWC350DH2 | 90 | 1070 | 5.824 | 485 | |||||||||||||||
| SWC390DH1 | 390 | 250 | 125 | ≤15 | 150 | 1300 | 345 | 235 | 267 | 215 | 10-25 | 40 | 8 | 70 | 18.0 | 11.125 | 0.2219 | 655 | |
| SWC390DH2 | 90 | 1200 | 10.763 | 600 | |||||||||||||||
* 1. Tf-sub sarcina alternanta cuplul care permite in functie de rezistenta la oboseala. * 2. Lmin-lungimea minimă după tăiere. * 3. L-install length, which is according to the requirement
Cuplajul universal de îmbinare SWC, adesea numit cuplajul universal de îmbinare a arborelui cardan SWC, este o componentă cheie în scenariile industriale grele. Este indispensabil pentru laminoare, mașini de ridicare și diferite sisteme de mașini grele la scară largă. Ca un cuplaj universal cu cuplu mare, poate conecta eficient doi arbori de transmisie cu axe necoincidente, asigurând o transmisie neîntreruptă a puterii chiar și în condiții de lucru complexe și dure.
Parametrii tehnici de bază ai acestui cuplaj sunt următorii:
Diametrul de rotație: φ58 - φ620
Cuplu nominal: 0,15 - 1000 kN·m
Unghiul de pliere al axei: ≤25°
În aplicațiile practice, funcționează excepțional de bine. De exemplu, în timpul operațiunilor de laminoare, când este nevoie de o cuplare universală de încredere, de mare rezistență, dedicate laminoarelor, sau în echipamentele de ridicare și manipulare a materialelor, când este necesară o cuplare durabilă a arborelui de îmbinare universală SWC, acest produs este pe deplin competent. Chiar și sub sarcini mari, poate menține stabil stabilitatea operațională a echipamentului.
Cuplajul universal SWC este proiectat folosind principii avansate de inginerie, oferind performanțe excepționale și o durată de viață mai lungă în medii industriale. Principalele sale caracteristici structurale sunt următoarele:
Structură rezonabilă și sigură: Dispunând de un design integrat al capului furcii, acest cuplaj industrial universal reduce riscul de slăbire sau rupere a șuruburilor, crescând rezistența structurală cu 30%-50%. Acest design asigură o funcționare sigură și fiabilă, prelungește durata de viață în comparație cu modelele tradiționale și previne defecțiunile comune în scenarii de înaltă presiune, cum ar fi sistemele de cuplare universală pentru mașini grele.
Capacitate de încărcare sporită: Cuplajul universal pentru sarcini grele SWC este proiectat special pentru a suporta sarcini grele, făcându-l esențial în scenariile care necesită o gestionare excelentă a sarcinii, cum ar fi mașinile de minerit sau de construcții.
Eficiență ridicată a transmisiei: Cu o eficiență de până la 98,6%, acest cuplaj universal eficient pentru transmisie de putere mare reduce semnificativ consumul de energie și costurile aferente, făcându-l prima alegere pentru soluțiile de cuplare universală cu economie de energie în sistemele de transmisie industrială de mare putere.
Funcționare stabilă cu zgomot redus: Acest cuplare universală cu zgomot redus funcționează stabil cu niveluri de zgomot de obicei între 30-40 dB(A), asigurând performanță silențioasă. Este ideal pentru mediile sensibile la zgomot, menținând în același timp fiabilitatea ridicată.
Cuplajele cu articulații universale, în special cuplarea articulației universale cu arbore cardanic SWC, au devenit componente de transmisie indispensabile în aplicațiile industriale datorită avantajelor lor remarcabile. Ele pot satisface nevoile de bază cu performanța lor în domenii precum mașinile grele, producția de precizie și transportul de energie. Mai jos este o analiză detaliată a avantajelor lor cheie:
1. Transmisie puternică a cuplului și compensare excelentă a dezalinierii
Ca un cuplaj universal cu cuplu mare, poate transmite stabil sarcini de mare putere. Chiar și în scenariile în care nealinierea arborelui apare frecvent în timpul operațiunilor de laminoare - cum ar fi decalajul axial cauzat de uzura rolelor și schimbările de temperatură în timpul laminarii oțelului - acest cuplaj universal fiabil pentru sarcini grele pentru operațiunile de laminoare se poate descurca cu ușurință. Poate compensa simultan dezechilibrele unghiulare, axiale și radiale, cu o aliniere unghiulară maximă de până la 25 de grade. Această adaptabilitate excelentă la dezaliniere previne blocajele transmisiei cauzate de nealinierea arborelui, asigură o livrare continuă și stabilă a puterii, reduce semnificativ probabilitatea defecțiunilor mecanice în condiții extreme de lucru și garantează funcționarea continuă a liniilor de producție.
2. Durabilitate ridicată și durată de viață mai lungă
Designul și selecția materialului cuplajelor universale SWC sunt centrate pe „rezistența la sarcini grele și rezistența la medii dure”. Corpul principal este realizat din oțel aliat de înaltă rezistență, combinat cu o structură integrată a capului furcii, care reduce fundamental punctele de defecțiune comune, cum ar fi slăbirea șuruburilor și ruperea componentelor. Luând ca exemplu cuplajul durabil al arborelui articulației universale SWC, utilizat în echipamentele de ridicare și manipulare a materialelor, acesta poate rezista la sarcina de impact instantanee atunci când ridicați obiecte grele și poate menține performanța stabilă în medii dure, cum ar fi praful și temperaturile ridicate. În comparație cu cuplajele tradiționale cu structură împărțită, acest cuplaj industrial universal pentru îmbinare are o rezistență totală crescută cu 30%-50%, ceea ce nu numai că reduce frecvența întreținerii zilnice, ci și prelungește durata de viață cu 2-3 ani. Este deosebit de potrivit pentru nevoile de funcționare pe termen lung la sarcină mare ale sistemelor de cuplare universală pentru mașini grele.
3. Eficiență ridicată a transmisiei și efect semnificativ de economisire a energiei
Testele au arătat că eficiența transmisiei cuplajului universal SWC pentru sarcini grele este de până la 98,6%, ceea ce are avantaje evidente în scenariile de transmisie industrială de mare putere, cum ar fi ventilatoarele furnalelor din fabricile de oțel și sistemele de transport de cărbune în centralele electrice. Pentru echipamentele care necesită transmisie continuă de mare putere, potrivirea cu acest cuplaj universal eficient pentru transmisie de putere mare poate minimiza pierderea de putere. Pentru întreprinderile care urmăresc soluții de cuplare universală de economisire a energiei, această eficiență ridicată poate fi transformată direct în avantaje de cost: luând ca exemplu un motor industrial de 1500 kW, poate economisi peste 12.000 de yuani în costuri cu electricitatea pe an și poate ajuta întreprinderile să reducă costurile de operare considerabile în utilizare pe termen lung, respectând în același timp tendințele de economisire a energiei și consumul industrial în domeniul industrial.
4. Funcționare stabilă și silențioasă, potrivită pentru mai multe scenarii
Prin optimizarea preciziei de fixare a rulmentului și utilizarea grăsimii lubrifiante cu un coeficient de frecare scăzut, zgomotul de funcționare al acestui cuplaj universal cu zgomot redus este controlat strict la 30-40 dB(A), ceea ce este echivalent cu nivelul de zgomot ambiental al unui birou zilnic și respectă pe deplin standardele de emisie de zgomot ale site-urilor industriale. În scenariile sensibile la zgomot, cum ar fi liniile de producție din fabricile de prelucrare a alimentelor și echipamentele de transport pentru componente electronice de precizie, aceasta poate nu numai să asigure stabilitatea și fiabilitatea sistemului de transmisie, ci și să evite afectarea mediului atelier sau a experienței de operare a angajaților din cauza zgomotului. În același timp, caracteristicile stabile ale transmisiei pot reduce, de asemenea, uzura componentelor din jur cauzată de vibrațiile echipamentului, îmbunătățind și mai mult stabilitatea de funcționare și durata de viață a întregului sistem de producție.
Cuplajul universal SWC-DH Short Flex Welding, adesea denumit cuplajul universal pentru arbore cardanic SWC, este utilizat în principal în scenarii de mașini grele, cum ar fi laminoare și palanuri. Acest tip de echipament are cerințe extrem de ridicate de compactitate structurală și flexibilitate — doar prin îndeplinirea acestor două puncte se poate obține o funcționare eficientă, iar acest cuplaj răspunde perfect acestor nevoi. Ca un cuplaj universal cu cuplu mare, poate conecta eficient doi arbori de transmisie cu axe necoincidente, asigurând o transmisie fără sudură a puterii chiar și în medii industriale dure care necesită o compensare precisă pentru dezalinierea sistemului de arbori.
În aplicațiile practice, fie că este nevoie de o cuplare universală fiabilă pentru operațiunile de laminoare, fie că este necesară o cuplare durabilă a arborelui de îmbinare universală SWC pentru echipamentele de ridicare și manipulare a materialelor, acest produs poate funcționa excelent - poate menține funcționarea stabilă a echipamentului chiar și sub sarcini extreme. Avantajul său de adaptabilitate este deosebit de proeminent în amenajările echipamentelor compacte în care spațiul este limitat și este necesară o structură flexibilă scurtă.
Acest cuplaj industrial universal SWC-DH este construit cu tehnologie avansată de inginerie și optimizat pentru performanță și durată de viață special pentru scenarii industriale. Caracteristica sa structurală de bază constă în designul său rezonabil și sigur: structura integrată a capului furcii elimină în mod fundamental pericolele ascunse ale slăbirii sau ruperii șuruburilor, crescând rezistența totală cu 30%-50%. Acest design nu numai că asigură siguranța și fiabilitatea funcționării, dar extinde și durata de viață în comparație cu modelele tradiționale, evitând în același timp problemele comune de defecțiuni în scenarii de aplicații cu solicitări ridicate, cum ar fi sistemele de cuplare universală pentru mașini grele.
În plus, capacitatea sa portantă este îmbunătățită prin proiectare pentru a rezista la greutăți mai mari, astfel încât această cuplare universală SWC pentru sarcini grele este foarte potrivită pentru scenarii cu cerințe stricte privind capacitatea portantă, cum ar fi mașinile miniere și echipamentele de construcții. În ceea ce privește eficiența transmisiei, aceasta ajunge până la 98,6%. Fiind un cuplaj universal eficient pentru transmisia de putere mare, poate reduce semnificativ consumul de energie și costurile cu electricitatea, făcându-l un produs preferat pentru soluțiile de cuplare universală cu economie de energie în domeniul transportului industrial de mare putere.
În cele din urmă, acest cuplaj are o transmisie stabilă, cu zgomotul de funcționare controlat de obicei la 30-40 dB(A), făcându-l un cuplaj universal cu zgomot redus. Această caracteristică îi permite să funcționeze silențios chiar și în scenarii industriale sensibile la zgomot, menținând în același timp fiabilitatea ridicată.
⭐⭐⭐⭐⭐ Wang Lei, inginer de proiect, Guangdong Heavy Machinery Co., Ltd.
Folosim cuplajul universal de tip sudură SWC-DH Short Flex de la Raydafon în utilajele noastre grele de ceva vreme și a fost o surpriză plăcută, mai ales când vine vorba de potrivirea în locuri înguste. Echipamentul nostru are spațiu destul de limitat pentru piesele de transmisie, dar designul compact al acestui cuplare se potrivește ca o mănușă, nu este nevoie să rearanjați alte componente doar pentru a-l face să funcționeze.
Ce este și mai bine este că nu sacrifică performanța pentru dimensiune. Oferă în continuare o transmisie puternică și constantă a cuplului - critică pentru operațiunile noastre grele. L-am rulat continuu timp de săptămâni și nu a existat nicio vibrație anormală; întregul sistem rămâne neted. Calitatea sudurii este și un alt punct culminant - vă puteți da seama că este solidă doar privind-o, ceea ce ne oferă încredere totală că va rezista la o utilizare grea pe termen lung. Pentru un cuplaj care echilibrează designul care economisește spațiu și fiabilitatea, acesta este un câștigător.
⭐⭐⭐⭐⭐ Zhao Ming, Procurement Manager, Tianjin Steel Equipment Co., Ltd.
Recent am comandat mai multe cuplaje SWC-DH de la Raydafon și trebuie să spun că întregul proces de achiziție a fost ușor – fără bătăi de cap, fără întârzieri. Din momentul în care am trimis comanda, echipa lor a fost receptivă, iar livrarea a apărut chiar la data programată, ceea ce este un mare plus pentru a ne menține producția pe drumul cel bun. Ambalajul a fost, de asemenea, de top: fiecare cuplaj a fost înfășurat în siguranță, fără zgârieturi sau deteriorare în timpul transportului - tocmai gata de despachet și instalat.
Echipa noastră tehnică s-a ocupat de configurare și au menționat imediat cât de ușor a fost de montat. Fără pași complicati, nu este nevoie să căutați unelte speciale - l-au montat rapid și funcționează fiabil de atunci. Când luați în considerare prețul rezonabil asociat cu această performanță constantă, este clar că acest cuplaj oferă o valoare excelentă. Intenționăm deja să-l păstrăm pe lista noastră obișnuită de achiziții; este genul de produs care îmi face munca de cumpărător mai ușoară.
⭐⭐⭐⭐⭐ Liu Hong, director de întreținere, Shandong Industrial Group
În calitate de persoană care supraveghează întreținerea echipamentelor, cea mai mare prioritate a mea este reducerea timpului de nefuncționare și reducerea timpului pe care echipa mea îl petrece cu service-ul pieselor. Cuplajul SWC-DH de la Raydafon verifică perfect ambele casete. Îl folosim în echipamente care rulează zilnic sub sarcini grele și nu alunecă sau se schimbă niciodată - rămâne ferm pe loc, fără conexiuni slăbite. Chiar și după luni de utilizare, abia dacă există semne de uzură, ceea ce este un contrast enorm cu alte cuplaje pe care le-am folosit înainte.
Cu acele cuplaje mai vechi, programam mereu remedieri rapide sau înlocuiri de piese, care consumau timpul de producție și creșteau costurile. Aceasta? Abia îl atingem – fără întreținere frecventă, fără defecțiuni neașteptate. Ne-a economisit atât de mult timp și bani pentru întreținere și continuă să-și facă treaba în mod fiabil. În zilele noastre, a devenit o componentă de bază în operațiunile noastre zilnice; Nu trebuie să-mi fac griji că eșuează, ceea ce îmi permite să mă concentrez pe alte priorități. Este exact genul de piesă fiabilă de care are nevoie fiecare echipă de întreținere.
Abordare
Zona industrială Luotuo, districtul Zhenhai, orașul Ningbo, China
Tel


+86-574-87168065


Zona industrială Luotuo, districtul Zhenhai, orașul Ningbo, China
Copyright © Raydafon Technology Group Co., Limited Toate drepturile rezervate.
Links | Sitemap | RSS | XML | Politica de confidențialitate |
