Cod QR
Despre noi
Produse
Contactaţi-ne


Fax
+86-574-87168065

E-mail

Abordare
Zona industrială Luotuo, districtul Zhenhai, orașul Ningbo, China
Cuplajul universal de tip SWC-WF fără flanșă flexibilă de la Raydafon este creat doar pentru transmisia de cuplu mare în mașini grele - gândiți-vă la echipamente metalurgice, macarale, sisteme miniere, toate configurațiile dificile care au nevoie de putere constantă. Are un design de flanșă neflexibil, diametre de rotație variind de la 160 mm la 640 mm, iar acest cuplaj universal de tip flanșă se ocupă de dezaliniri unghiulare mari plus viteze de rotație continue fără nicio problemă, chiar și atunci când se lucrează în condiții super solicitante. Folosim oțel 35CrMo de înaltă rezistență pentru a-l construi, astfel încât să reziste perfect la sarcini intense - exact de ce este o alegere de top pentru cuplajele universale pentru mașini grele și cuplaje universale non-flex pentru aplicații industriale. Producția de precizie Raydafon se asigură că oferă performanțe solide de fiecare dată, în special pentru industriile care nu pot face compromisuri cu livrarea constantă a cuplului.
Acest cuplaj universal SWC-WF este construit pentru a rezista, cu o conexiune cu flanșă rigidă care face instalarea ușoară în sisteme precum acționările pentru construcții navale și laminoare - locuri în care mișcarea axială nu este prea mare. Respectăm cu strictețe standardele ISO 9001, iar fabrica noastră din China utilizează prelucrare avansată plus verificări stricte de calitate pentru a face acest cuplaj universal cu flanșă durabil. Vine în dimensiuni personalizabile, cu cupluri nominale de până la 1250 kN·m, astfel încât se potrivește perfect în cuplaje universale personalizate pentru echipamente metalurgice și alte configurații grele. Raydafon oferă, de asemenea, soluții personalizate la prețuri competitive, ajutând la reducerea timpului de nefuncționare și la creșterea fiabilității echipamentelor dumneavoastră.
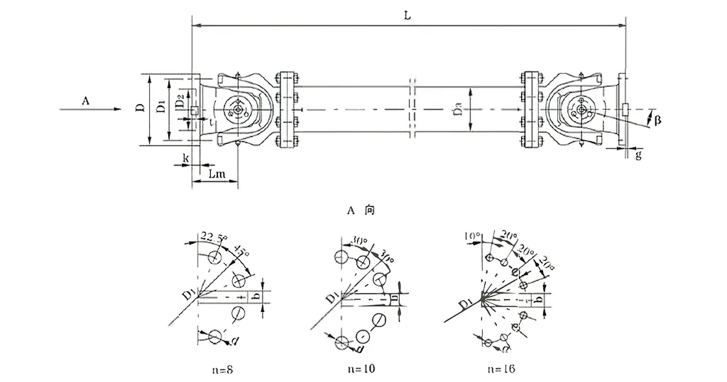
| Nu. | Diametrul de rotație D mm | Cuplul nominal Tn KN·m | Unghiul de pliere a axelor β (°) | Cuplu obosit Tf KN·m | Dimensiune (mm) | Inerția de rotație kg.m2 | Greutate (kg) | |||||||||||
| Lmin | D1 (js11) | D2 (H7) | D3 | Lm | n-d | k | t | b (h9) | g | Lmin | Crește 100 mm | Lmin | Crește 100 mm | |||||
| SWC285WF | 285 | 90 | 45 | ≤15 | 810 | 245 | 170 | 194 | 160 | 8-21 | 27 | 7 | 40 | 15 | 2.664 | 0.051 | 220 | 6.3 |
| SWC315WF | 315 | 125 | 63 | 915 | 280 | 185 | 219 | 180 | 10-23 | 32 | 8 | 40 | 15 | 4.469 | 0.0795 | 300 | 8.0 | |
| SWC350WF | 350 | 180 | 90 | 980 | 310 | 210 | 267 | 194 | 10-23 | 35 | 8 | 50 | 16 | 7.388 | 0.2219 | 412 | 15.0 | |
| SWC390WF | 390 | 250 | 125 | 1100 | 345 | 235 | 267 | 215 | 10-25 | 40 | 8 | 70 | 18 | 13.184 | 0.2219 | 588 | 15.0 | |
| SWC440WF | 440 | 355 | 180 | 1290 | 390 | 255 | 325 | 260 | 16-28 | 42 | 10 | 80 | 20 | 23.250 | 0.4744 | 880 | 21.7 | |
| SWC490WF | 490 | 500 | 250 | 1360 | 435 | 275 | 325 | 270 | 16-31 | 47 | 12 | 90 | 22.5 | 40.750 | 0.4744 | 1173 | 21.7 | |
| SWC550WF | 550 | 710 | 355 | 1510 | 492 | 320 | 426 | 305 | 16-31 | 50 | 12 | 100 | 22.5 | 68.480 | 1.3570 | 1663 | 34.0 | |
| SWC620WF | 620 | 1000 | 500 | 1690 | 555 | 380 | 426 | 340 | 10-38 | 55 | 12 | 100 | 25 | 127.530 | 1.3570 | 2332 | 34.0 | |
* 1. Tf-sub sarcina alternanta cuplul care permite in functie de rezistenta la oboseala.
* 2. L-lungime de instalare, care este conform cerinței.
Cuplajul universal de tip SWC-WF de la Raydafon fără flanșă flexibilă - numit și cuplaj de îmbinare universală a arborelui cardan SWC - funcționează pe o idee mecanică de bază: primește cuplu de la doi arbori necoliniari până acolo unde trebuie să ajungă și se ocupă și de dezalinierea. Acest cuplaj universal cu cuplu mare folosește o configurație de rulmenți în cruce pentru a lega flanșele de la ambele capete, astfel încât chiar și atunci când arborii sunt decalați cu până la 25 de grade sau au abateri axiale/radiale, puterea de rotație continuă să se miște fără probleme.
Inima modului în care funcționează este designul articulației universale - există un arbore transversal care acționează ca un pivot, lăsând fiecare flanșă să se miște singură. În acest fel, cuplul trece de la arborele de antrenare la arborele de antrenare în mod eficient și compensează nealinierea unghiulară fără a pune prea multă presiune asupra pieselor la care este conectat. Dacă aveți nevoie de o cuplare universală fiabilă pentru sarcini grele pentru operațiunile de laminoare, structura de flanșă rigidă și neflexibilă a acesteia menține lucrurile stabile, ceea ce este perfect pentru conexiunile pe distanțe scurte în configurații de mașini grele compacte.
Ceea ce iese în evidență funcția sa este că nu are părți flexibile sau caracteristici de expansiune - acest lucru îl diferențiază de alte tipuri și îl face excelent pentru locurile în care mișcarea axială este minimă. Cuplajul durabil al arborelui cu articulație universală SWC pe care îl folosim în echipamentele de ridicare și manipulare a materialelor se bazează pe acest principiu pentru a rămâne echilibrat chiar și la sarcini mari; atinge eficiențe de transmisie de până la 98,6% și nu irosește multă energie. Acest cuplaj industrial cu articulație universală reduce, de asemenea, vibrațiile datorită mișcării precise a rulmentului, astfel încât funcționează fără probleme chiar și în situații de solicitare ridicată - la fel ca sistemele de cuplare universală pentru mașini grele pe care le-ați vedea în lucrări industriale dificile.
În plus, cuplarea universală de rezistență SWC de la Raydafon are flanșe sudate pentru a-l face mai robust - nu vă mai faceți griji că șuruburile se slăbesc și crește rezistența generală cu 30% până la 50%. Fiind un cuplaj universal eficient pentru transmisia de putere mare, gestionează cupluri nominale de la 0,15 până la 1000 kN·m și are diametre de rotație de la φ58 la φ620 - făcându-l o alegere de top pentru soluțiile de cuplare universală cu economie de energie în transmisiile industriale solicitante. Și cu zgomotul menținut între 30-40 dB(A), acest cuplaj universal cu zgomot redus funcționează silențios, ceea ce este ideal pentru locurile industriale în care zgomotul este o problemă, totodată menținând standarde înalte de fiabilitate.
Cuplajul universal SWC de la Raydafon - numit adesea cuplajul universal SWC cardan - nu este doar o piesă obișnuită; este o necesitate pentru instalațiile industriale grele, cum ar fi laminoare, mașini de ridicare și tot felul de sisteme de mașini grele dure. Ca un cuplaj universal cu cuplu mare, face o treabă solidă legând doi arbori de transmisie care nu se aliniază perfect, asigurându-se că puterea continuă să circule chiar și atunci când condițiile de lucru devin dure.
Să vorbim despre specificațiile sale cheie: diametrul de rotație variază de la φ58 la φ620, cuplul nominal merge de la 0,15 la 1000 kN·m, iar unghiul de pliere a axei nu depășește 25°.
Acest produs strălucește cu adevărat în scenarii specifice, cum ar fi atunci când aveți nevoie de o cuplare universală fiabilă pentru sarcini grele pentru operațiunile de laminoare sau de o cuplare durabilă a arborelui de îmbinare universală SWC în echipamentele de ridicare și manipulare a materialelor. În aceste cazuri, își dovedește valoarea prin menținerea stabilă a operațiunilor, chiar și atunci când are de-a face cu sarcini grele.
Cuplajul universal SWC de la Raydafon nu este construit doar pentru funcționare, ci este proiectat cu un design inteligent pentru a rezista în uz industrial și pentru a continua să funcționeze bine pe termen lung. Să dezvăluim ceea ce îi face să iasă în evidență structura.
În primul rând, are o configurație rezonabilă și sigură: am folosit un design integrat al capului furcii pentru acest cuplaj industrial universal, care reduce riscurile precum șuruburile care se slăbesc sau se rupe. Numai asta îi crește integritatea structurală cu 30%-50%, astfel încât funcționează în siguranță și fiabil. În comparație cu cuplajele obișnuite, durează mai mult și evită defecțiunile obișnuite în locurile cu stres ridicat, cum ar fi sistemele de cuplare universală pentru mașini grele pe care le vezi în lucrările dificile.
Apoi, mai există capacitatea sa de încărcare sporită: acest cuplaj universal pentru sarcini grele SWC este conceput pentru a face față greutăților mari, deci este un element indispensabil în locurile care necesită o gestionare de vârf a sarcinii, cum ar fi mașinile de minerit sau de construcții.
Oferă, de asemenea, o eficiență ridicată a transmisiei, ajungând până la 98,6%. Fiind un cuplaj universal eficient pentru transmisia de putere mare, reduce consumul de energie și costurile aferente. De aceea, este o alegere de top pentru soluțiile de cuplare universală cu economie de energie în configurațiile de transmisie industrială de mare putere.
Și funcționează fără probleme, cu zgomot redus: menține transmisia constantă, iar zgomotul rămâne de obicei între 30-40 dB(A). Acest cuplaj universal cu zgomot redus se asigură că operațiunile rămân silențioase, ceea ce este perfect pentru locurile în care zgomotul este o problemă, totul păstrând fiabilitatea la un nivel ridicat.
⭐⭐⭐⭐⭐ Chen Liang, inginer de producție, Zhejiang Machinery Co., Ltd.
Am instalat cuplajul universal Raydafon SWC-WF fără tip flanșă flexibilă pe una dintre liniile noastre de producție și a funcționat excelent până acum. Structura este simplă, dar dură – instalarea a fost simplă, fără pași complicati. Odată configurat, funcționează fără probleme, fără a fi nevoie de modificări suplimentare. Chiar și atunci când sarcina este grea, acest cuplaj rămâne fiabil, ceea ce înseamnă că putem menține mașinile să funcționeze ore lungi fără să ne facem prea multe griji - cu siguranță ne oferă mai multă liniște sufletească.
⭐⭐⭐⭐⭐ Sun Mei, supervizor de achiziții, Hebei Steel Co., Ltd.
Compania noastră a cumpărat mai multe cuplaje universale SWC-WF fără flanșă flexibilă de la Raydafon și, în primul rând, livrarea a fost la timp, iar ambalajul a fost atent, fără nicio deteriorare. Ceea ce iese cu adevărat în evidență pentru mine este ceea ce a spus echipa atelierului: mi-au spus că cuplajele sunt ușor de instalat, iar când le folosesc, se simt foarte solide. În plus, în comparație cu alți furnizori, prețul aici este corect. Una peste alta, suntem foarte mulțumiți de această achiziție.
⭐⭐⭐⭐⭐ Guo Jun, Manager de întreținere, Liaoning Heavy Industry Group
Treaba mea este să ne mențin mașinile în funcțiune și încerc să reduc timpul de nefuncționare cât de mult pot. De când am început să folosim SWC-WF de la Raydafon fără cuplare universală de tip flanșă flexibilă, am observat o mare diferență - mai puțină uzură a piesei și mult mai puține probleme în timpul funcționării. Designul este dur și nu necesită multă întreținere. Acest lucru ne economisește atât timp, cât și bani și s-a dovedit a fi o piesă super de încredere pentru echipamentul nostru.
Raydafon este o filială cheie a EVER-POWER Group Co., Ltd. — nu suntem doar un furnizor, ci și un furnizor de bază pentru componente de transmisie de înaltă calitate și soluții industriale și punem mult accent pe produse inovatoare, cum ar fi cuplajul universal pentru arbore cardanic SWC. De când am început, ne-am ocupat de avansarea tehnologiei și de creștere pe piețele globale; nu ne-am oprit la vânzarea de componente individuale – acum creăm soluții complete de sistem care se potrivesc perfect nevoilor agricole și industriale grele. Know-how-ul nostru în domeniul arborilor de transmisie și al produselor de transmisie înseamnă că clienții care au nevoie de cuplaje universale de încredere pentru sarcini grele pentru operațiunile de laminoare (și alte lucrări dificile) pot conta pe noi ca un partener solid.
La Raydafon, producem o gamă largă de produse: cutii de viteze, arbori de transmisie, cilindri hidraulici, scripete și chiar mașini-unelte avansate, cum ar fi strunguri CNC și mașini de frezat. Soluțiile noastre de cuplare universală cu cuplu mare - luați seria SWC, de exemplu - sunt construite pentru a face față cerințelor stricte ale industriilor care au nevoie de cuplare durabilă a arborelui de îmbinare universală SWC în echipamentele de ridicare și manipulare a materialelor. Avem și facilități avansate: ateliere CNC, mașini de șlefuit și tratament termic, instrumente de măsurare 3D - toate pentru a respecta standardele ISO9001/TS16949, astfel încât fiecare cuplare industrială universală pe care o facem este de cea mai bună calitate și precisă.
Vindem 80% din produsele noastre în străinătate, pe piețe precum SUA, Germania, Japonia, Italia, Malaezia, Australia și Orientul Mijlociu. Și avem o rețea puternică în locuri precum China, Coreea de Sud, Marea Britanie, Singapore, SUA și Spania pentru a susține acest lucru. Această acoperire globală ne permite să creăm soluții personalizate, cum ar fi cuplarea universală SWC pentru sarcini grele — concepută pentru sistemele de cuplare universală pentru mașini grele care trebuie să facă față sarcinilor mari și să reziste mult timp.
Inovația și satisfacerea clienților sunt prioritățile noastre. Oferim soluții de cuplare universală care economisesc energie, care atinge o eficiență de transmisie de până la 98,6%, reducând costurile operaționale pentru configurațiile de mare putere. Indiferent dacă aveți nevoie de un cuplaj universal eficient pentru transmisia de putere mare sau de un cuplaj universal cu zgomot redus pentru locurile în care zgomotul contează, produsele noastre vin cu un serviciu post-vânzare profesionist – iar noi suntem dedicați să facem lucrurile corect. De aceea, Raydafon este cea mai bună alegere pentru toate nevoile dvs. de transmisie.
Abordare
Zona industrială Luotuo, districtul Zhenhai, orașul Ningbo, China
Tel


+86-574-87168065


Zona industrială Luotuo, districtul Zhenhai, orașul Ningbo, China
Copyright © Raydafon Technology Group Co., Limited Toate drepturile rezervate.
Links | Sitemap | RSS | XML | Politica de confidențialitate |
