Cod QR
Despre noi
Produse
Contactaţi-ne


Fax
+86-574-87168065

E-mail

Abordare
Zona industrială Luotuo, districtul Zhenhai, orașul Ningbo, China
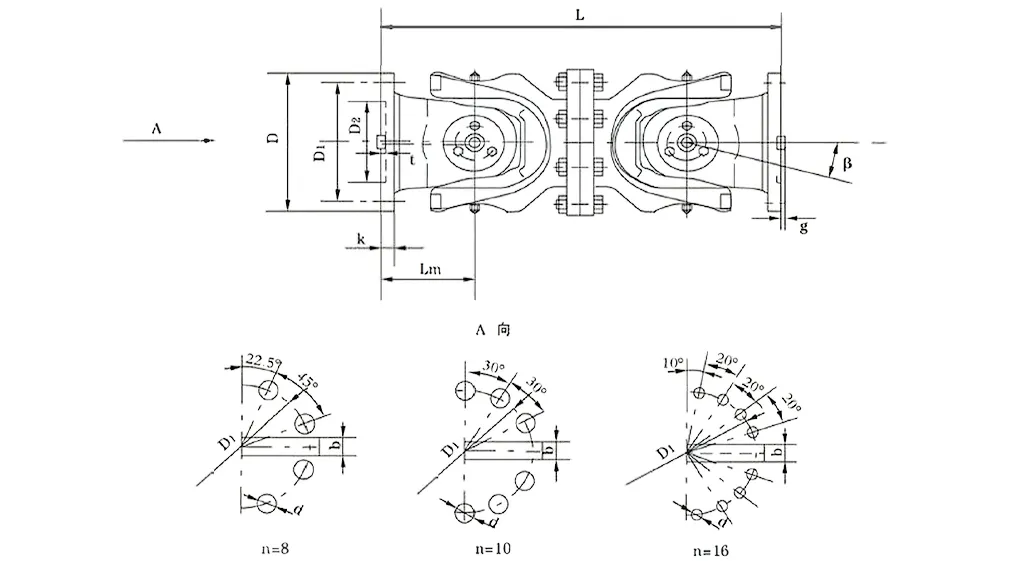
Cuplajul universal de tip SWC-WD scurt fără flanșă flexibilă de la Raydafon este construit pentru a mișca eficient cuplul în mașinile grele - gândiți-vă la laminoare din oțel, macarale, echipamente de ridicare, toate acele echipamente grele. Are un design de flanșă compact, netelescopic, cu diametre de rotație variind de la 180 mm la 1320 mm. Acest cuplaj universal cu flanșă scurtă poate gestiona dezechilibre unghiulare de până la 15 grade și cupluri de până la 16000 kN·m, astfel încât chiar și în spațiile înguste unde nu este mult spațiu, păstrează transferul de putere în mod fiabil. Îl facem din oțel 35CrMo de înaltă rezistență, cu o structură portantă care nu necesită șuruburi - perfect pentru cuplaje universale pentru mașini grele și cuplaje universale netelescopice pentru aplicații industriale. Nu necesită multă întreținere și durează pentru totdeauna, ceea ce este exact ceea ce aveți nevoie în configurații dificile.
Producția noastră din China respectă standardele ISO 9001, astfel încât cuplajul universal SWC-WD rezistă în condiții dure. Arborele transversal este cromat pentru a rezista la coroziune, adăugând rezistență. Designul său rigid, sudat al flanșei face ca instalarea să fie ușoară, în special în echipamentele metalurgice și miniere, unde mișcarea axială este destul de minimă. Putem personaliza dimensiunea pentru a se potrivi nevoilor dvs., astfel încât acest cuplaj universal scurt durabil funcționează excelent ca cuplaje universale personalizate pentru sistemele de macara și alte lucrări grele. Și prețul este competitiv. Măiestria precisă a Raydafon înseamnă mai puțin timp de nefuncționare și echipamente mai fiabile - ceva pe care operatorii industriali din întreaga lume se pot baza.
| Nu. | Diametrul de rotație D mm | Cuplul nominal Tn KN·m | Unghiul de pliere a axelor β (°) | Cuplu obosit Tf KN·m | Dimensiune (mm) | Greutate (kg) | |||||||||
| Lmin | D1 (js11) | D2 (H7) | Lm | n-d | k | t | b (h9) | g | Lmin | Crește 100 mm | |||||
| SWC180WD | 180 | 12.5 | 6.3 | ≤25 | 440 | 155 | 105 | 110 | 8-17 | 17 | 5 | - | - | 0.145 | 52 |
| SWC225WD | 225 | 40 | 20 | ≤15 | 480 | 196 | 135 | 120 | 8-17 | 20 | 5 | 32 | 9.0 | 0.355 | 82 |
| SWC250WD | 250 | 63 | 31.5 | 560 | 218 | 150 | 140 | 8-19 | 25 | 6 | 40 | 12.5 | 0.831 | 127 | |
| Swc285wd | 285 | 90 | 45 | 640 | 245 | 170 | 160 | 8-21 | 27 | 7 | 40 | 15.0 | 1.715 | 189 | |
| SWC315WD | 315 | 125 | 63 | 720 | 280 | 185 | 180 | 10-23 | 32 | 8 | 40 | 15.0 | 2.820 | 270 | |
| SWC350WD | 350 | 180 | 90 | 776 | 310 | 210 | 194 | 10-23 | 35 | 8 | 50 | 16.0 | 4.791 | 370 | |
| SWC390WD | 390 | 250 | 125 | 860 | 345 | 235 | 215 | 10-25 | 40 | 8 | 70 | 18.0 | 8.229 | 524 | |
| Swc440wd | 440 | 355 | 180 | 1040 | 390 | 255 | 260 | 16-28 | 42 | 10 | 80 | 20.0 | 15.320 | 798 | |
| SWC490WD | 490 | 500 | 250 | 1080 | 435 | 275 | 270 | 16-31 | 47 | 12 | 90 | 22.5 | 25.740 | 1055 | |
| SWC550WD | 550 | 710 | 355 | 1220 | 492 | 320 | 305 | 16-31 | 50 | 12 | 100 | 22.5 | 46.780 | 1524 | |
| SWC620WD | 620 | 1000 | 500 | 1360 | 555 | 380 | 340 | 10-38 | 55 | 12 | 100 | 25.0 | 83.760 | 2120 | |
* 1. Tf-sub sarcina alternanta cuplul care permite in functie de rezistenta la oboseala.
Cuplajul universal SWC de la Raydafon – denumit de obicei cuplajul universal SWC cardan – nu este doar o parte; este o necesitate în domeniile industriale grele, cum ar fi laminoare, echipamente de ridicare și tot felul de configurații grele de mașini grele. Fiind un cuplaj universal cu cuplu mare, face o treabă solidă legând doi arbori de transmisie care nu sunt perfect aliniați, asigurându-se că puterea este furnizată fără probleme chiar și atunci când condițiile de lucru sunt cu adevărat dure.
Să vorbim despre specificațiile sale de bază: diametrul de rotație variază de la φ58 la φ620, cuplul nominal merge de la 0,15 la 1000 kN·m, iar unghiul de pliere a axei nu depășește 25°.
Acest cuplaj funcționează cel mai bine în anumite locuri, cum ar fi atunci când aveți nevoie de o cuplare universală fiabilă și rezistentă pentru operațiunile de laminoare sau un cuplaj durabil SWC pentru arborele de îmbinare universală în echipamentele de ridicare și manipulare a materialelor. În aceste cazuri, își arată puterea: chiar și sub solicitări mari, menține operațiunile constante, fără dezordine sau defecțiuni.
Cuplajul universal SWC de la Raydafon nu este doar combinat, ci este construit cu o inginerie inteligentă și actualizată pentru a funcționa excelent și a rezista mult timp în utilizare industrială. Să trecem prin ceea ce îi face să iasă în evidență structura.
În primul rând, are o configurație rezonabilă și sigură: am folosit un design integrat al capului furcii pentru acest cuplaj industrial universal, care reduce riscurile precum șuruburile care se slăbesc sau se rupe. Numai această modificare îl face cu 30%-50% mai robust, astfel încât rulează în siguranță și constant. În comparație cu cuplajele obișnuite, durează mult mai mult și evită problemele obișnuite în punctele de înaltă tensiune, cum ar fi sistemele de cuplare universală pentru mașini grele pe care le vezi în lucrările dificile.
Apoi, mai există capacitatea sa de încărcare îmbunătățită: acest cuplaj universal pentru sarcini grele SWC este conceput pentru a face față greutăților mari, așa că este un element indispensabil în locurile care necesită o manipulare de vârf a sarcinii, cum ar fi uneltele de minerit sau mașinile de construcții.
De asemenea, atinge o eficiență ridicată a transmisiei - până la 98,6%. Fiind un cuplaj universal eficient pentru transmisia de putere mare, reduce consumul de energie și costurile aferente. De aceea, este o alegere de top pentru soluțiile de cuplare universală cu economie de energie în configurațiile de transmisie industrială de mare putere.
Și funcționează fără probleme, cu zgomot redus: transmisia rămâne constantă, iar zgomotul oscilează de obicei între 30-40 dB(A). Acest cuplaj universal cu zgomot redus menține operațiunile silențioase, ceea ce este perfect pentru locurile industriale în care zgomotul este o problemă - toate, păstrând fiabilitatea la un nivel ridicat.
⭐⭐⭐⭐⭐ Zhang Wei, inginer șef, Henan Mining Equipment Co., Ltd.
Am instalat cuplajul universal Raydafon SWC-WD Short Without Flex Flange Type pe mașinile noastre miniere și s-a potrivit perfect. Designul său compact este exact ceea ce avem nevoie pentru spațiile înguste în care nu există mult spațiu de rezerva, iar construcția este suficient de rezistentă pentru a menține operațiunile constante. Chiar și atunci când funcționează fără oprire în condiții grele, acest cuplaj nu ne dezamăgește niciodată - fără eșecuri. Echipa noastră de întreținere îi place că abia are nevoie de verificare, ceea ce înseamnă că putem menține producția în mișcare fără probleme suplimentare.
⭐⭐⭐⭐⭐ Michael Brown, Manager operațiuni, Texas Steel Works, SUA
Atelierul nostru din Texas a comandat cuplajul universal SWC-WD scurt fără flanșă flexibilă de la Raydafon și, sincer, calitatea ne-a uluit. Cuplajele sunt prelucrate foarte bine, instalarea lor este simplă și rezistă în mod fiabil chiar și atunci când sunt sub sarcină. Ce mi-a impresionat cel mai mult? Cât de bine echilibrează prețul și performanța - nu găsești adesea acel punct favorabil. Găsirea unui furnizor care să ofere în mod constant acest nivel de calitate nu este ușoară, dar Raydafon a dovedit absolut că este un partener de încredere pentru noi.
⭐⭐⭐⭐⭐ Anna Müller, supervizor întreținere, Berlin Industrial Solutions, Germania
Am instalat cuplajul universal Raydafon SWC-WD Short Without Flex Flange Type pe linia noastră de echipamente din Berlin, iar rezultatele au fost grozave. Produsul în sine se simte solid, sudura este precisă - nu există nicio muncă defectuoasă aici - și până acum, s-a susținut foarte bine, arătând o durabilitate de top. În comparație cu alte mărci pe care le-am folosit aici în Europa, acest cuplaj este mult mai fiabil, iar prețul este mult mai competitiv. Dacă alte companii caută cuplaje universale de încredere, aș recomanda cu siguranță Raydafon.
Cuplajul universal de tip SWC-WD scurt fără flanșă flexibilă de la Raydafon - adesea numit cuplaj universal pentru arbore cardanic SWC - este construit pentru locuri industriale înguste, unde spațiul este limitat și aveți nevoie de un design cu lungime fixă (fără extensie telescopică). Fiind un cuplaj universal cu cuplu mare, mișcă eficient cuplul între arbori care nu sunt aliniați, gestionând abaterile unghiulare de până la 25 de grade și rămâne fiabil chiar și în medii grele.
Să vorbim despre caracteristicile sale cheie: are o structură compactă și rigidă - această configurație scurtă, neflexibilă a flanșei îl face un cuplaj universal de încredere și rezistent pentru operațiunile de laminoare, oferind stabilitate suplimentară în configurațiile în care mișcarea axială este minimă. De aceea, funcționează atât de bine pentru conexiunile la distanță fixă în utilaje grele. Apoi, mai este capacitatea sa mare de încărcare: folosim materiale dure, cum ar fi fonta sau oțelul aliat, pentru a-l face, deci este un cuplaj durabil SWC pentru arbore cu articulație universală în echipamentele de ridicare și manipulare a materialelor. Susține greutăți mari și transmite un cuplu mai mare decât alte cuplaje cu același diametru, ceea ce îl face perfect pentru sarcini grele din echipamentele de minerit sau de construcții.
Acest cuplaj industrial universal compensează, de asemenea, nealinierea greșită - indiferent dacă este vorba de o dezaliniere unghiulară, paralelă sau axială, nu se încurcă cu viteza de rotație sau cu transferul de cuplu. Aceasta înseamnă o funcționare lină în sistemele de cuplare universală pentru mașini grele. Și este eficient la transmisia puterii: atingând o eficiență de până la 98,6%, acest cuplaj universal de rezistență SWC menține pierderile de energie scăzute, făcându-l un cuplaj universal eficient pentru transmisia de putere mare în configurații industriale de mare putere.
În plus, este proiectat să economisească energie și să funcționeze silențios - dacă aveți nevoie de soluții de cuplare universală cu economie de energie, aceasta este o alegere de top, reducând costurile operaționale. Și menține zgomotul între 30-40 dB(A), astfel încât acest cuplaj universal cu zgomot redus se potrivește perfect în locurile industriale unde zgomotul este o problemă.
Acest cuplaj strălucește cu adevărat în scenarii specifice, cum ar fi atunci când aveți nevoie de o cuplare universală fiabilă și rezistentă pentru operațiunile de laminoare sau de o cuplare durabilă a arborelui de îmbinare universală SWC în echipamentele de ridicare și manipulare a materialelor. În aceste cazuri, chiar și cu sarcini extreme și spațiu limitat, menține operațiunile stabile, fără sughițuri.
Când vine vorba de aplicații industriale de cuplare a articulațiilor universale, varianta noastră SWC-WD se remarcă prin inginerie inteligentă care o face să funcționeze mai bine și să dureze mai mult. Să vorbim despre structura sa cheie: are o configurație rezonabilă și sigură, cu un design integrat al capului furcii - acest lucru scapă de probleme precum șuruburile care se slăbesc sau se rupe, sporind rezistența generală cu 30%-50%. Aceasta înseamnă că funcționează în siguranță și fiabil, durează mai mult decât modelele de stil vechi și evită defecțiunile obișnuite în locurile cu stres ridicat, cum ar fi sistemele de cuplare universală pentru mașini grele.
În plus, poate suporta mult mai multă sarcină — l-am construit pentru a suporta greutăți mai mari, astfel încât acest cuplaj universal de rezistență SWC este perfect pentru locurile care au nevoie de manipularea greutății, cum ar fi echipamentele miniere sau de construcții. De asemenea, mută puterea foarte eficient, atingând o eficiență de transmisie de până la 98,6%. Fiind un cuplaj universal eficient pentru transmisia de putere mare, reduce consumul de energie și costurile aferente, făcându-l o alegere de top pentru soluțiile de cuplare universală cu economie de energie în configurațiile de transmisie industrială de mare putere.
Și funcționează fără probleme, cu aproape niciun zgomot - transmisia rămâne constantă, iar zgomotul rămâne de obicei între 30-40 dB(A). Acest cuplaj universal cu zgomot redus menține operațiunile silențioase, ceea ce este perfect pentru locurile industriale în care zgomotul este o problemă, totodată păstrând fiabilitatea la un nivel ridicat.
Raydafon nu este doar un alt nume în piesele de transmisie - suntem un producător și furnizor de top de componente de transmisie de înaltă performanță și soluții de mașini industriale și ne concentrăm puternic pe produse precum cuplarea universală a arborelui cardan SWC. Am început să ținem pasul cu ceea ce au nevoie industriile globale pe măsură ce evoluează și, de-a lungul timpului, am creat o gamă completă: cutii de viteze, arbori de transmisie, cilindri hidraulici, scripete, mașini-unelte de precizie – toate create pentru a spori cât de bine funcționează sectoarele agricole și grele. Suntem mari în inovație, motiv pentru care putem livra cuplaje universale fiabile pentru sarcini grele pentru operațiunile de laminoare care se potrivesc chiar și în cele mai complexe sisteme fără probleme.
Facilitățile noastre sunt, de asemenea, de top – avem ateliere CNC, echipamente de șlefuire și tratament termic și sisteme avansate de măsurare 3D. Respectăm standarde stricte de calitate, cum ar fi ISO9001/TS16949, iar această configurație ne permite să realizăm soluții de cuplare universală cu cuplu mare care mișcă cuplul mare și gestionează dezalinierea ca un profesionist. Luați cuplajul nostru durabil de arbore cu articulație universală SWC în echipamentele de ridicare și de manipulare a materialelor, de exemplu - este construit pentru locurile care au nevoie de o putere portantă dură. Și linia noastră industrială de cuplare a îmbinărilor universale? Acoperă toate tipurile de utilizări în care precizia și robustețea contează cel mai mult.
Optzeci la sută din ceea ce facem este exportat – trimis în locuri precum SUA, Germania, Japonia, Italia, Malaezia, Australia și Orientul Mijlociu. Avem rețele puternice în China, Coreea de Sud, Marea Britanie, Singapore, SUA și Spania, așa că suntem solidi la nivel global. Această acoperire ne permite să oferim opțiuni personalizate de cuplare universală SWC pentru sarcini grele — adaptate exact nevoilor clienților, cum ar fi sistemele de cuplare universală pentru mașini grele, unde rămânerea stabilă la sarcini extreme nu este negociabil.
Ne pasă de sustenabilitate și de a crea soluții care pun clienții pe primul loc. De aceea, dezvoltăm soluții de cuplare universală care economisesc energie, care atinge o eficiență de transmisie de până la 98,6% - reducând consumul de energie în configurații de mare putere. Indiferent dacă aveți nevoie de un cuplaj universal eficient pentru transmisia de putere mare sau de un cuplaj universal cu zgomot redus pentru zonele industriale în care zgomotul este o problemă, produsele noastre vin cu serviciu complet post-vânzare. Așa am devenit un partener de încredere în industria de transport – nu vindem doar piese, ci le facem backup.
Abordare
Zona industrială Luotuo, districtul Zhenhai, orașul Ningbo, China
Tel


+86-574-87168065


Zona industrială Luotuo, districtul Zhenhai, orașul Ningbo, China
Copyright © Raydafon Technology Group Co., Limited Toate drepturile rezervate.
Links | Sitemap | RSS | XML | Politica de confidențialitate |
